FM Radio Schematic: Your Guide To Understanding Radio Circuits

V.Orbital 17 views
FM Radio Schematic: Your Guide To Understanding Radio Circuits

FM Radio Schematic: Your Guide to Understanding Radio Circuits

Hey guys! Ever been curious about what’s going on inside that little FM radio of yours? It might seem like magic, but it’s all thanks to some clever electronic circuits. If you’re into electronics or just want to understand how things work, diving into an FM radio schematic is an awesome way to learn. In this article, we’re going to break down what an FM radio schematic is, why it’s useful, and how to read one. So, let’s get started!

What is an FM Radio Schematic?

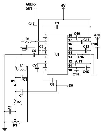
FM radio schematics are essentially roadmaps for electronic circuits. They use symbols and lines to show how different electronic components are connected in an FM radio. Think of it as a detailed blueprint that tells you exactly what each part does and how they all work together to pull those sweet tunes out of the air. Understanding these schematics allows you to troubleshoot problems, modify circuits, and even build your own FM radio from scratch!

When you look at a schematic , you’ll see a bunch of symbols. Each symbol represents a different electronic component, such as resistors, capacitors, transistors, and inductors. Lines connect these symbols, indicating the wires or traces on a circuit board that allow current to flow between the components. The schematic also includes labels that tell you the values of the components (like the resistance of a resistor or the capacitance of a capacitor) and other important information.

Why bother learning to read these things? Well, if you’re into DIY electronics, knowing how to read an FM radio schematic is a superpower . It allows you to understand how radios work at a fundamental level, making it easier to fix them when they break or to tweak them to perform better. Plus, it’s just plain cool to be able to look at a complex circuit diagram and understand what’s going on! So, grab your magnifying glass, and let’s dive into the world of FM radio schematics!

Why Study FM Radio Schematics?

Studying FM radio schematics offers a plethora of benefits for electronics enthusiasts, hobbyists, and professionals alike. For starters, understanding these schematics provides a deep understanding of how FM radios function at a component level. Instead of just knowing that you turn it on and music comes out, you get to see exactly which parts are responsible for which tasks. This includes the oscillator, mixer, IF amplifier, and demodulator. This knowledge is invaluable for anyone looking to design, repair, or modify radio circuits.

Moreover, FM radio schematics are essential for troubleshooting and repairing radios. When a radio malfunctions, a schematic helps you trace the signal path and identify the faulty components. By comparing the schematic to the actual circuit, you can pinpoint where the signal is being interrupted or distorted. This systematic approach can save you a lot of time and effort compared to just randomly poking around with a multimeter. Furthermore, being able to read schematics greatly enhances your skills in electronics.

Learning to interpret these diagrams improves your overall understanding of circuit design principles and fosters problem-solving skills. It challenges you to think logically and analytically, which are valuable traits in any technical field. For those interested in building their own FM radios, schematics are an absolute necessity. They provide a detailed blueprint that guides you through the entire construction process, from selecting the right components to wiring them together correctly. Whether you’re building a simple crystal radio or a more complex superheterodyne receiver, a schematic is your best friend. Finally, the knowledge gained from studying FM radio schematics can be applied to other areas of electronics . The fundamental concepts of circuit analysis and design are universal, so the skills you develop while learning about radios will be useful in a wide range of projects. In summary, studying FM radio schematics is a rewarding endeavor that can unlock a deeper understanding of electronics and empower you to tackle a variety of interesting projects.

Key Components in an FM Radio Schematic

When you dive into an FM radio schematic , you’ll encounter a variety of electronic components, each playing a crucial role in the radio’s operation. Understanding these components and their functions is essential for deciphering the schematic and grasping how the radio works. Let’s take a look at some of the key players you’ll typically find in an FM radio circuit.

Resistors are one of the most common components. They control the flow of current in the circuit and are used to set voltage levels, limit current, and provide feedback. In a schematic, resistors are usually represented by a zigzag line. Their values are measured in ohms (Ω), and you’ll often see values like 1kΩ (1000 ohms) or 10kΩ (10,000 ohms) marked on the schematic.

Capacitors are another fundamental component. They store electrical energy in an electric field and are used for filtering, smoothing, and tuning circuits. Capacitors are represented by two parallel lines in a schematic. Their values are measured in farads (F), but you’ll typically see values in microfarads (µF), nanofarads (nF), or picofarads (pF). Capacitors are crucial in the tuning circuit of an FM radio, where they help select the desired frequency.

Inductors store energy in a magnetic field. They are commonly used in tuning circuits and filters. In a schematic, inductors are represented by a coil symbol. Their values are measured in henries (H), but you’ll often see values in microhenries (µH) or millihenries (mH). Inductors, along with capacitors, form resonant circuits that are essential for tuning into different FM stations.

Transistors are the workhorses of modern electronics. They act as switches or amplifiers, controlling the flow of current in a circuit. In an FM radio, transistors are used in amplifiers to boost the weak radio signal and in oscillators to generate the carrier frequency. There are two main types of transistors: bipolar junction transistors (BJTs) and field-effect transistors (FETs). Each has its own symbol in a schematic.

Diodes allow current to flow in only one direction. They are used for rectification, signal detection, and voltage regulation. In an FM radio, diodes can be found in the detector circuit, where they help extract the audio signal from the received FM signal. Diodes are represented by a triangle pointing to a line in a schematic.

Other components you might encounter in an FM radio schematic include integrated circuits (ICs) , which combine multiple components into a single package, and transformers , which transfer electrical energy from one circuit to another. Understanding the symbols and functions of these key components is essential for reading and interpreting FM radio schematics. With this knowledge, you’ll be well-equipped to explore the fascinating world of radio circuits!

How to Read an FM Radio Schematic

Alright, let’s get down to the nitty-gritty. Reading an FM radio schematic might seem daunting at first, but with a bit of practice, you’ll be able to decipher those lines and symbols like a pro. Here’s a step-by-step guide to help you navigate the world of radio schematics:

  1. Start with the Basics: Before diving into a complex schematic, make sure you’re familiar with the basic electronic components and their symbols. As we discussed earlier, these include resistors, capacitors, inductors, transistors, and diodes. Knowing what each symbol represents is the first step to understanding the circuit.
  2. Identify the Key Sections: FM radios typically consist of several key sections, including the antenna, RF amplifier, oscillator, mixer, IF amplifier, demodulator, and audio amplifier. Try to identify these sections on the schematic. This will help you understand the overall flow of the signal through the radio.
  3. Trace the Signal Path: The schematic shows how the different components are connected. Start at the antenna input and follow the lines to see how the signal flows through the circuit. Pay attention to the direction of the arrows on transistors and diodes, as these indicate the direction of current flow.
  4. Understand the Component Values: Each component on the schematic will have a value associated with it. For example, a resistor might be labeled as 1kΩ, a capacitor as 100pF, and an inductor as 10µH. These values are important for understanding how the circuit works and for selecting the correct components when building or repairing a radio.
  5. Look for Ground and Power Connections: Ground connections are usually indicated by a symbol that looks like an upside-down tree. Power connections are typically labeled with a voltage value, such as +5V or +12V. These connections provide the necessary power for the circuit to operate.
  6. Use a Multimeter: When troubleshooting a radio, a multimeter is your best friend. Use it to measure voltages and resistances at different points in the circuit. Compare your measurements to the values on the schematic to identify any discrepancies.
  7. Refer to Datasheets: If you’re unsure about the function of a particular component, refer to its datasheet. Datasheets provide detailed information about the component’s characteristics and specifications.
  8. Practice, Practice, Practice: The best way to become proficient at reading FM radio schematics is to practice. Start with simple schematics and gradually work your way up to more complex ones. The more you practice, the easier it will become to understand how the circuits work.

By following these steps, you’ll be well on your way to mastering the art of reading FM radio schematics. It’s a valuable skill that will open up a whole new world of possibilities in electronics!

Common Mistakes to Avoid

Even with a good understanding of FM radio schematics , it’s easy to make mistakes, especially when you’re just starting out. Here are some common pitfalls to watch out for:

  1. Misreading Component Values: One of the most common mistakes is misreading the values of components. Always double-check the units (e.g., ohms, farads, henries) and the multipliers (e.g., k, M, µ). A simple mistake like reading 1kΩ as 1MΩ can lead to serious problems.
  2. Ignoring Polarity: Some components, like electrolytic capacitors and diodes, are polarized, meaning they have a specific positive and negative end. Connecting them backward can damage the component or the circuit. Always pay attention to the polarity markings on the schematic and on the actual components.
  3. Not Understanding the Signal Flow: It’s important to understand how the signal flows through the circuit. Ignoring the signal flow can make it difficult to troubleshoot problems or make modifications. Take the time to trace the signal path and understand the function of each stage.
  4. Overlooking Ground Connections: Ground connections are essential for the proper operation of the circuit. Overlooking a missing or loose ground connection can lead to all sorts of problems. Make sure all ground connections are solid and that they are connected to the correct ground plane.
  5. Assuming All Schematics are Accurate: While most schematics are accurate, there’s always a chance of errors. Always double-check the schematic against the actual circuit to make sure everything matches up. If you find discrepancies, make a note of them and proceed with caution.
  6. Not Using a Multimeter Correctly: A multimeter is an essential tool for troubleshooting electronic circuits. However, if you don’t use it correctly, you can get misleading results. Make sure you know how to use your multimeter to measure voltage, current, and resistance, and always double-check your settings.
  7. Working on Live Circuits: It’s never a good idea to work on a live circuit unless you absolutely have to. Always disconnect the power source before making any changes to the circuit. If you must work on a live circuit, take extra precautions to avoid electric shock.

By avoiding these common mistakes, you’ll be able to read FM radio schematics more accurately and troubleshoot circuits more effectively. Remember, patience and attention to detail are key!

Conclusion

So, there you have it! Diving into the world of FM radio schematics can seem like a big task, but with a little patience and the right approach, it’s totally achievable. Understanding these schematics not only gives you a deeper appreciation for how FM radios work but also equips you with valuable skills for troubleshooting, repairing, and even building your own electronic devices. By familiarizing yourself with the key components, learning how to trace signal paths, and avoiding common mistakes, you’ll be well on your way to mastering the art of reading schematics.

Whether you’re a hobbyist, a student, or a professional, the ability to interpret FM radio schematics is a powerful asset. It opens up a world of possibilities, allowing you to explore the inner workings of electronic circuits and bring your own ideas to life. So, grab a schematic, fire up your soldering iron, and start experimenting. Who knows, you might just create the next big thing in radio technology! Happy tinkering, guys!